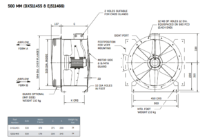
50JM/20/4/6/32/1PH (EJ511466) – Long Cased Axial Fan – Flakt Woods
JM Aerofoil fans deliver high aerodynamic efficiencies (up to 77%) and low specific fan powers. These benefits are achieved using Aerofoil section impeller blades and aerodynamically optimized hub design, which deliver peak operating efficiencies
- High Efficiency impeller design reduces SFP values and running costs
- Adjustable pitch impeller delivers precise performance
- Short or Long cased options provide installation flexibility
- 315 – 1600 mm diameter
- Volumes up to 186,500 m3/h (51.8 m3/s)
- Static pressures up to 2400 Pa
- Fans tested to ISO5801 and BS848
- High energy efficiency
- Low installed noise levels
- Motor protection IP55

Product Link:
Product Data PDF:



