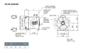
35JM/16/4/5/22/1Ph (EJ361460) – Long Cased Axial Flow Fan – Flakt Woods
JM Aerofoil fans deliver high aerodynamic efficiencies (up to 77%) and low specific fan powers. These benefits are achieved using Aerofoil section impeller blades and aerodynamically optimized hub design, which deliver peak operating efficiencies
- High Efficiency impeller design reduces SFP values and running costs
- Adjustable pitch impeller delivers precise performance
- Short or Long cased options provide installation flexibility
- 315 – 1600 mm diameter
- Volumes up to 186,500 m3/h (51.8 m3/s)
- Static pressures up to 2400 Pa
- Fans tested to ISO5801 and BS848
- High energy efficiency
- Low installed noise levels
- Motor protection IP55

Product Link:
Product Data PDF:
60 Degree Bend - 200mm Diameter ( Pressed )
KABT/4 4000/355 (0.5KW 230/400V) - Soler And Palau - Three Phase 4 Pole - Acoustic Centrifugal Kitchen Extract Fan
VR 355 - Helios - Extension Flanged Casing
LO-CARBON POZIDRY PRO - Vent Axia - 476310 


