31JM/16/4/5/34/1Ph (EJ321460) – Long Cased Axial Flow Fan – Flakt Woods
JM Aerofoil fans deliver high aerodynamic efficiencies (up to 77%) and low specific fan powers. These benefits are achieved using Aerofoil section impeller blades and aerodynamically optimized hub design, which deliver peak operating efficiencies
- High Efficiency impeller design reduces SFP values and running costs
- Adjustable pitch impeller delivers precise performance
- Short or Long cased options provide installation flexibility
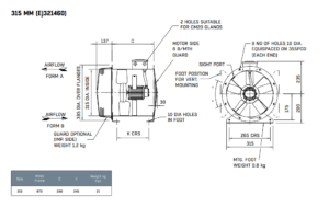
- 315 – 1600 mm diameter
- Volumes up to 186,500 m3/h (51.8 m3/s)
- Static pressures up to 2400 Pa
- Fans tested to ISO5801 and BS848
- High energy efficiency
- Low installed noise levels
- Motor protection IP55

Product Link:
Product Data PDF:
REB8 - Fan Speed Controller - Soler & Palau
GBW EC 315 - Helios - GigaBox EC Centrifugal Fan
RMB 1.5 - 5 Step & Off Auto Transformer 1.5A Max. 230V - Soler & Palau
SDD-U - Helios - Anti Vibration Mounts (4 pcs.)
HCBB/4-630/H-A - Plate Axial Flow Extract Fan - Soler & Palau
GB - WK 250/315/355 - Wall bracket - Helios
63JM.Bif/20/4/6 - JM Bifurcated 200°C Axial Flow Fan 3ph - JN305003 - Flakt Woods
RDS 1 - Helios - Transformer Controller With Motor Protection
TSD 1.5 - Helios - Transformer Controller 


